首頁
關於我們
公司簡介
企業文化
資質證書
生産設備
聯繫我們
成功案例
産品中心
旋轉開關
編碼器
旋轉電位器
滑動式電位器
腳踏開關
吉他開關
冰箱門開關
滑動開關
按鍵開關
搖頭開關
金屬開關
撥碼開關
操縱杆電位器
新聞資訊
技術支持
聯系我們
English
産品中心
Product
旋轉開關
編碼器
絕對型編碼器
增量型編碼器
帶電源開關編碼器
帶LED型編碼器
旋轉電位器
8mm
9mm
11mm
14mm
16mm
24mm
滑動式電位器
腳踏開關
吉他開關
冰箱門開關
滑動開關
按鍵開關
搖頭開關
金屬開關
撥碼開關
操縱杆電位器
聯系方式
Contact us
惠州市宏宇高科電子有限公司
電話:86-0752-6116051
傳真:86-0752-6116050
地址:惠州市博羅縣石灣鎮四十
米大道工業開發區
16mm
您的位置:
惠州市宏宇高科電子有限公司
>
産品中心
>
旋轉電位器
>
16mm
>浏览产品
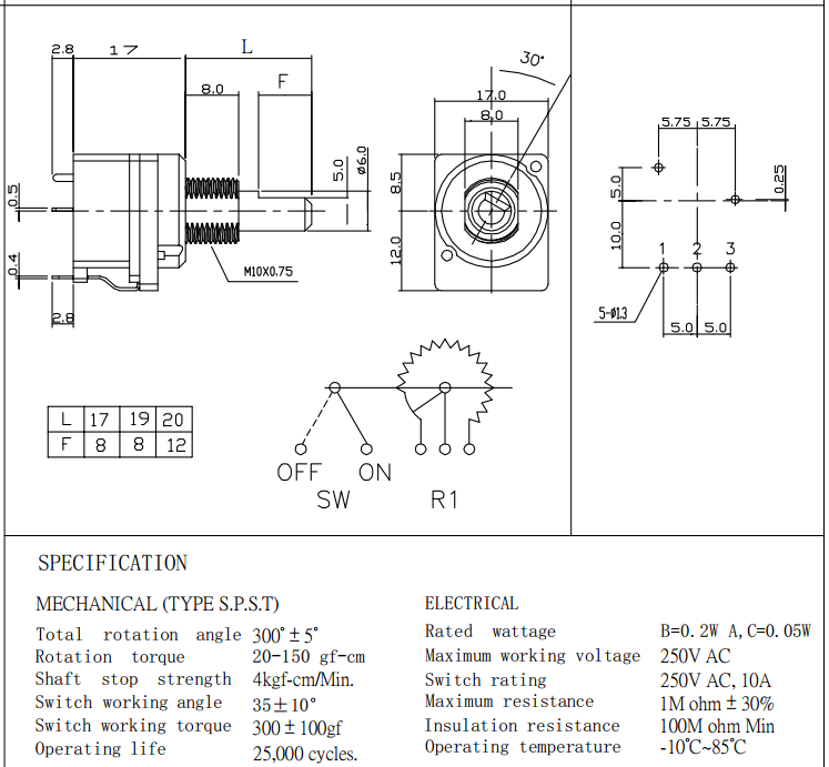
H16R2S
發表時間:2019年03月28日 點擊:次 本月浏覽次數:
H16R2S
額定電壓電流:B=0.2W,C=0.05W
接觸阻抗::
絕緣阻抗:500V DC- 100MΩ min
耐電壓:500V AC 1 minute
動作力:20-150gf.cm
壽命:25000cycles
産品詳細說明:
上一圖集:
H161P2S
下一圖集:
H161NP2ASPN
惠州市宏宇高科電子有限公司 ©版权所有 地址:廣東省惠州市博羅縣石灣鎮四十米大道工業開發區 電話:86-0752-6116051 傳真:86-0752-6116050 粵ICP備11005023號